Pressure Sensor Circuit Diagram Arduino . Using mps20n0040d module example code, circuit, pinout library.  learn how to interface a mps20n0040d barometric pressure module with arduino.   create an arduino pressure sensor using the mps20n0040d and hx710b module.   arduino will be used to read the digital pressure transducer, an mps20n0040d, and a 3d printed manometer will be used to. First, you’ll need to acquire the. The mps20n0040d is a balanced.   in this tutorial, i’m going to show you how to setup the bmp180 on an arduino, so you can measure barometric pressure, and altitude from the ground or.   in this tutorial we discussed how bmp280 pressure sensor works and how we can use it with arduino.
        
        from theorycircuit.com 
     
        
         learn how to interface a mps20n0040d barometric pressure module with arduino.   create an arduino pressure sensor using the mps20n0040d and hx710b module.   arduino will be used to read the digital pressure transducer, an mps20n0040d, and a 3d printed manometer will be used to.   in this tutorial, i’m going to show you how to setup the bmp180 on an arduino, so you can measure barometric pressure, and altitude from the ground or. Using mps20n0040d module example code, circuit, pinout library. First, you’ll need to acquire the. The mps20n0040d is a balanced.   in this tutorial we discussed how bmp280 pressure sensor works and how we can use it with arduino.
    
    	
            
	
		 
         
    Barometric Pressure Sensor Arduino Tutorial 
    Pressure Sensor Circuit Diagram Arduino    in this tutorial we discussed how bmp280 pressure sensor works and how we can use it with arduino.   create an arduino pressure sensor using the mps20n0040d and hx710b module. The mps20n0040d is a balanced.  learn how to interface a mps20n0040d barometric pressure module with arduino.   arduino will be used to read the digital pressure transducer, an mps20n0040d, and a 3d printed manometer will be used to. First, you’ll need to acquire the. Using mps20n0040d module example code, circuit, pinout library.   in this tutorial we discussed how bmp280 pressure sensor works and how we can use it with arduino.   in this tutorial, i’m going to show you how to setup the bmp180 on an arduino, so you can measure barometric pressure, and altitude from the ground or.
            
	
		 
         
 
    
        From create.arduino.cc 
                    Pressure Pad Interfacing with Arduino Arduino Project Hub Pressure Sensor Circuit Diagram Arduino    in this tutorial we discussed how bmp280 pressure sensor works and how we can use it with arduino. Using mps20n0040d module example code, circuit, pinout library.   in this tutorial, i’m going to show you how to setup the bmp180 on an arduino, so you can measure barometric pressure, and altitude from the ground or.   arduino will be. Pressure Sensor Circuit Diagram Arduino.
     
    
        From www.circuitdiagram.co 
                    Pressure Sensor Circuit Diagram Arduino Circuit Diagram Pressure Sensor Circuit Diagram Arduino    in this tutorial, i’m going to show you how to setup the bmp180 on an arduino, so you can measure barometric pressure, and altitude from the ground or.   create an arduino pressure sensor using the mps20n0040d and hx710b module. First, you’ll need to acquire the. Using mps20n0040d module example code, circuit, pinout library.   in this tutorial we. Pressure Sensor Circuit Diagram Arduino.
     
    
        From mungfali.com 
                    Pressure Sensor Arduino Library Pressure Sensor Circuit Diagram Arduino   learn how to interface a mps20n0040d barometric pressure module with arduino.   in this tutorial, i’m going to show you how to setup the bmp180 on an arduino, so you can measure barometric pressure, and altitude from the ground or. First, you’ll need to acquire the.   in this tutorial we discussed how bmp280 pressure sensor works and how. Pressure Sensor Circuit Diagram Arduino.
     
    
        From electronics.stackexchange.com 
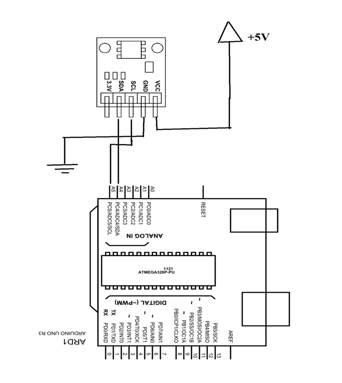
                    Arduino interface with I2C Pressure Sensor Electrical Engineering Pressure Sensor Circuit Diagram Arduino    in this tutorial, i’m going to show you how to setup the bmp180 on an arduino, so you can measure barometric pressure, and altitude from the ground or.   in this tutorial we discussed how bmp280 pressure sensor works and how we can use it with arduino. First, you’ll need to acquire the.  learn how to interface a. Pressure Sensor Circuit Diagram Arduino.
     
    
        From circuitdatamegan.z19.web.core.windows.net 
                    Arduino Pressure Sensor Wiring Diagram Pressure Sensor Circuit Diagram Arduino    in this tutorial we discussed how bmp280 pressure sensor works and how we can use it with arduino. The mps20n0040d is a balanced.  learn how to interface a mps20n0040d barometric pressure module with arduino.   arduino will be used to read the digital pressure transducer, an mps20n0040d, and a 3d printed manometer will be used to. Using mps20n0040d. Pressure Sensor Circuit Diagram Arduino.
     
    
        From forum.arduino.cc 
                    Pressure sensor woes stuck at 5V but only when connected to analog input Pressure Sensor Circuit Diagram Arduino    in this tutorial we discussed how bmp280 pressure sensor works and how we can use it with arduino.   in this tutorial, i’m going to show you how to setup the bmp180 on an arduino, so you can measure barometric pressure, and altitude from the ground or.   arduino will be used to read the digital pressure transducer, an. Pressure Sensor Circuit Diagram Arduino.
     
    
        From www.researchgate.net 
                    (a) Circuit diagram of pressure sensors, (b) Actual pressure sensor Pressure Sensor Circuit Diagram Arduino    in this tutorial, i’m going to show you how to setup the bmp180 on an arduino, so you can measure barometric pressure, and altitude from the ground or.   create an arduino pressure sensor using the mps20n0040d and hx710b module. First, you’ll need to acquire the.  learn how to interface a mps20n0040d barometric pressure module with arduino. . Pressure Sensor Circuit Diagram Arduino.
     
    
        From www.circuitdiagram.co 
                    Blood Pressure Sensor Circuit Diagram Arduino Circuit Diagram Pressure Sensor Circuit Diagram Arduino  The mps20n0040d is a balanced.   arduino will be used to read the digital pressure transducer, an mps20n0040d, and a 3d printed manometer will be used to. First, you’ll need to acquire the.   create an arduino pressure sensor using the mps20n0040d and hx710b module.   in this tutorial, i’m going to show you how to setup the bmp180 on. Pressure Sensor Circuit Diagram Arduino.
     
    
        From partdiagrameleniz6.z13.web.core.windows.net 
                    Pressure Sensor Circuit Diagram Arduino Pressure Sensor Circuit Diagram Arduino    arduino will be used to read the digital pressure transducer, an mps20n0040d, and a 3d printed manometer will be used to. The mps20n0040d is a balanced.   in this tutorial, i’m going to show you how to setup the bmp180 on an arduino, so you can measure barometric pressure, and altitude from the ground or. Using mps20n0040d module example. Pressure Sensor Circuit Diagram Arduino.
     
    
        From mungfali.com 
                    Pressure Sensor Arduino Water Level Pressure Sensor Circuit Diagram Arduino    create an arduino pressure sensor using the mps20n0040d and hx710b module. The mps20n0040d is a balanced.  learn how to interface a mps20n0040d barometric pressure module with arduino.   arduino will be used to read the digital pressure transducer, an mps20n0040d, and a 3d printed manometer will be used to. Using mps20n0040d module example code, circuit, pinout library. . Pressure Sensor Circuit Diagram Arduino.
     
    
        From www.circuitdiagram.co 
                    Pressure Sensor Circuit Diagram Arduino Circuit Diagram Pressure Sensor Circuit Diagram Arduino  First, you’ll need to acquire the.   arduino will be used to read the digital pressure transducer, an mps20n0040d, and a 3d printed manometer will be used to.   in this tutorial, i’m going to show you how to setup the bmp180 on an arduino, so you can measure barometric pressure, and altitude from the ground or.  learn how. Pressure Sensor Circuit Diagram Arduino.
     
    
        From www.electronics360.org 
                    Interfacing BME280 Pressure Sensor with Arduino Electronics 360 Pressure Sensor Circuit Diagram Arduino  Using mps20n0040d module example code, circuit, pinout library.   in this tutorial, i’m going to show you how to setup the bmp180 on an arduino, so you can measure barometric pressure, and altitude from the ground or.   create an arduino pressure sensor using the mps20n0040d and hx710b module.   in this tutorial we discussed how bmp280 pressure sensor works. Pressure Sensor Circuit Diagram Arduino.
     
    
        From forum.arduino.cc 
                    MPX5500DP Pressure Sensor Project Guidance Arduino Forum Pressure Sensor Circuit Diagram Arduino  First, you’ll need to acquire the. The mps20n0040d is a balanced.   create an arduino pressure sensor using the mps20n0040d and hx710b module.   in this tutorial we discussed how bmp280 pressure sensor works and how we can use it with arduino.   in this tutorial, i’m going to show you how to setup the bmp180 on an arduino, so. Pressure Sensor Circuit Diagram Arduino.
     
    
        From www.circuitbasics.com 
                    How to Set Up the BMP180 Barometric Pressure Sensor on an Arduino Pressure Sensor Circuit Diagram Arduino  The mps20n0040d is a balanced.   in this tutorial, i’m going to show you how to setup the bmp180 on an arduino, so you can measure barometric pressure, and altitude from the ground or.   create an arduino pressure sensor using the mps20n0040d and hx710b module. Using mps20n0040d module example code, circuit, pinout library.   in this tutorial we discussed. Pressure Sensor Circuit Diagram Arduino.
     
    
        From www.electronics-lab.com 
                    Interfacing BMP280 Pressure Sensor Module with Arduino Electronics Pressure Sensor Circuit Diagram Arduino    arduino will be used to read the digital pressure transducer, an mps20n0040d, and a 3d printed manometer will be used to.  learn how to interface a mps20n0040d barometric pressure module with arduino. First, you’ll need to acquire the. The mps20n0040d is a balanced.   create an arduino pressure sensor using the mps20n0040d and hx710b module. Using mps20n0040d module. Pressure Sensor Circuit Diagram Arduino.
     
    
        From www.circuitdiagram.co 
                    Arduino Pressure Sensor Circuit Diagram Circuit Diagram Pressure Sensor Circuit Diagram Arduino    arduino will be used to read the digital pressure transducer, an mps20n0040d, and a 3d printed manometer will be used to.   in this tutorial we discussed how bmp280 pressure sensor works and how we can use it with arduino.   create an arduino pressure sensor using the mps20n0040d and hx710b module.  learn how to interface a mps20n0040d. Pressure Sensor Circuit Diagram Arduino.
     
    
        From guidediagramtuilles.z14.web.core.windows.net 
                    Blood Pressure Sensor Circuit Diagram Arduino Pressure Sensor Circuit Diagram Arduino  First, you’ll need to acquire the.   in this tutorial we discussed how bmp280 pressure sensor works and how we can use it with arduino.   in this tutorial, i’m going to show you how to setup the bmp180 on an arduino, so you can measure barometric pressure, and altitude from the ground or. Using mps20n0040d module example code, circuit,. Pressure Sensor Circuit Diagram Arduino.
     
    
        From forum.arduino.cc 
                    Getting data from a digital blood pressure monitor Project Guidance Pressure Sensor Circuit Diagram Arduino    arduino will be used to read the digital pressure transducer, an mps20n0040d, and a 3d printed manometer will be used to.  learn how to interface a mps20n0040d barometric pressure module with arduino. First, you’ll need to acquire the.   in this tutorial we discussed how bmp280 pressure sensor works and how we can use it with arduino. . Pressure Sensor Circuit Diagram Arduino.